Alfa Romeo Schrauberhandbuch
Braden, Pat
Autor: | Braden, Pat |
---|---|
Themengebiete: | Alfa Romeo Auto / Technik, Tuning Fahrzeug - Fahrzeugbau - Fahrzeugtechnik |
Veröffentlichungsdatum: | 01.01.2014 |
EAN: | 9783868528121 |
Sprache: | Deutsch |
Seitenzahl: | 270 |
Produktart: | Gebunden |
Verlag: | Heel Verlag GmbH |
Untertitel: | Reparieren und Optimieren leicht gemacht |
Produktinformationen "Alfa Romeo Schrauberhandbuch"
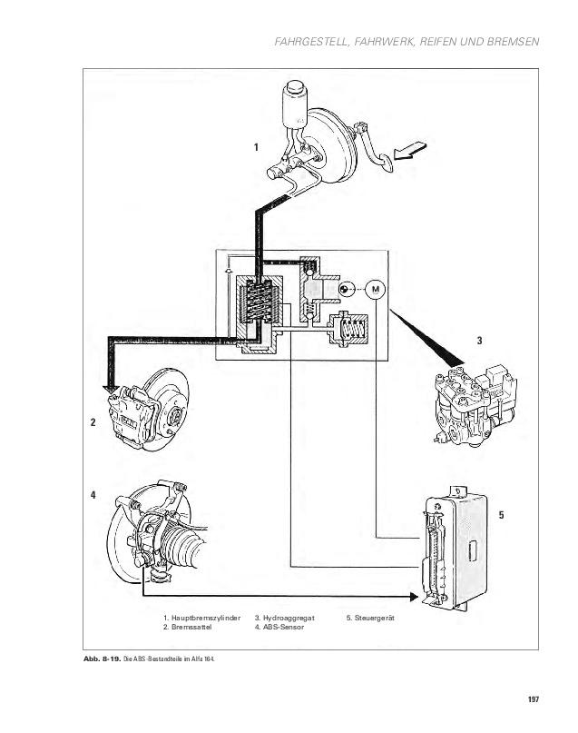
So viele Alfa-Schraubertipps gab es noch nie. Anhand zahlreicher Bilder und anschaulicher Erklärungen erfährt der Alfa-Fahrer alles Wissenswerte vom Wartungshinweis bis zur Anleitung für professionelle Reparaturen mit möglichst einfachen Mitteln. Pat Bradens Alfa-Schrauberbibel - in den USA und weltweit seit vielen Jahren der Renner - behandelt die wichtigsten Klassiker der Nachkriegszeit in einem Band: Dank der modellübergreifenden Motoren- und Fahrwerkstechnik findet hier jeder Alfafahrer, was er wissen muss - ganz gleich, ob es um die Giulietta-, die Giulia- oder die Alfetta-Varianten geht. Bis ins Detail werden die Vierzylinder, die Reihensechser und die V6-Motoren mit und ohne Einspritzung erklärt, daher reicht die Palette vom 1900 bis zum 164, der auf den besten Weg zum Youngtimer-Klassiker-Status ist. Selbst Schraubernovizen lernen hier mühelos die Fehlersuche und obendrein die Grundlagen der gefürchteten Auto-Elektrik - und dass niemand Angst vor der Technik haben muss.

Sie möchten lieber vor Ort einkaufen?
Sie haben Fragen zu diesem oder anderen Produkten oder möchten einfach gerne analog im Laden stöbern? Wir sind gerne für Sie da und beraten Sie auch telefonisch.
Juristische Fachbuchhandlung
Georg Blendl
Parcellistraße 5 (Maxburg)
8033 München
Montag - Freitag: 8:15 -18 Uhr
Samstags geschlossen